Goal:
A torsion pendulum can measure the Moments of Inertia of an object. Since we needed to measure our rocket's moment of inertia for the ASU project, we built one.
How a torsion pendulum works:
Rather than repeat what I learned from the web, I'll provide links to helpful web pages.
http://www.upscale.utoronto.ca/IYearLab/Intros/TorsionPend/TorsionPend.html
http://farside.ph.utexas.edu/teaching/301/lectures/node139.html
Equipment:
- High tensile strength steel wire - we used .018" dia music wire.
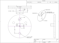
- Motor Nozzle Disc - This device replaces the nozzle of a 54 mm high power rocket motor. The Nozzle O-ring secures it in place so that its orientation is locked to that of the motor and rocket. See the drawing and picture below.
- The upper bracket - This bracket secures the wire to a roof rafter. See picture below.
- Calibration Mass - A 5.5" dia. x 10" solid aluminum cylinder was used as a calibration mass to determine the wire constant.
Gallery:
Measurement:
First we measured the mass of the Calibration Mass, calculated its Roll Moment of Inertia., then mounted it on the pendulum. We measured the length of a minimum of ten oscillations. This permitted the calculation of the wire constant.
The keeping the wire length the same, we replaced the Calibration Mass with the rocket. The rocket was prepared as if for launch, except that the motor nozzle and propellant grains were omitted. The nozzle was replaced with the Nozzle Disc, so the rocket could be hung in the pendulum. The propellant was omitted, because we wanted to determine the rocket's moment of inertia during the coast phase of the flight (after the propellant is consumed).

Results:
| Calibration weight |
|
|
|
|
|
|
|
Time from Video Camera |
|
|
|
|
| Cycle |
Min |
Sec |
Frame |
Total Time |
Period |
|
|
| 0 |
0 |
24 |
7 |
24.2333 |
|
|
|
| 1 |
1 |
4 |
7 |
64.2333 |
40.0000 |
|
|
| 2 |
1 |
43 |
26 |
103.8667 |
39.6333 |
|
|
| 3 |
2 |
23 |
21 |
143.7000 |
39.8333 |
|
|
| 4 |
3 |
3 |
18 |
183.6000 |
39.9000 |
|
|
| 5 |
3 |
43 |
13 |
223.4333 |
39.8333 |
|
|
| 6 |
4 |
23 |
7 |
263.2333 |
39.8000 |
|
|
| 7 |
5 |
3 |
5 |
303.1667 |
39.9333 |
|
|
| 8 |
5 |
42 |
27 |
342.9000 |
39.7333 |
|
|
| 9 |
6 |
22 |
21 |
382.7000 |
39.8000 |
|
|
| 10 |
7 |
2 |
20 |
422.6667 |
39.9667 |
398.4333 |
|
| middle times are approximate |
|
|
|
|
|
|
|
|
|
Average |
39.84333 |
39.84333 |
Period |
| Mass |
8.8 |
Kg |
|
Iz= |
0.017725 |
Kg*m^2 |
|
| Diameter |
126.94 |
mm |
|
|
|
|
|
| Radius |
0.06347 |
m |
|
Wire Constant |
0.0001403 |
|
|
| Wire dia |
0.018 |
in |
|
|
|
|
|
| Wire Len |
0.71755 |
m |
|
|
|
|
|
Rocket prepared for launch*.
| Rocket with K480W (no propellant) |
|
|
|
|
|
Time from Video Camera |
|
|
|
|
| Cycle |
Min |
Sec |
Frame |
Total Time |
Period |
|
|
| 0 |
1 |
59 |
6 |
119.2000 |
|
|
|
| 1 |
2 |
39 |
23 |
159.7667 |
40.5667 |
|
|
| 2 |
3 |
20 |
10 |
200.3333 |
40.5667 |
|
|
| 3 |
4 |
1 |
10 |
241.3333 |
41.0000 |
|
|
| 4 |
4 |
42 |
23 |
282.7667 |
41.4333 |
|
|
| 5 |
5 |
24 |
3 |
324.1000 |
41.3333 |
|
|
| 6 |
6 |
4 |
1 |
364.0333 |
39.9333 |
|
|
| 7 |
6 |
45 |
8 |
405.2667 |
41.2333 |
|
|
| 8 |
7 |
26 |
17 |
446.5667 |
41.3000 |
|
|
| 9 |
8 |
8 |
2 |
488.0667 |
41.5000 |
|
|
| 10 |
8 |
49 |
16 |
529.5333 |
41.4667 |
|
|
| 11 |
9 |
29 |
13 |
569.4333 |
39.9000 |
450.2333 |
|
| middle times are approximate |
|
|
|
|
|
|
|
|
|
Average |
40.9303 |
40.9303 |
Period |
| Mass |
7.83 |
Kg |
|
Iz= |
0.018705 |
Kg*m^2 |
|
In the future we plan to also measure the rockets other moments of inertia..
|